抽屉式阻火器是用来阻止易燃气体、液体的火焰蔓延回火而引起爆炸的安全装置。通常是使用在输送或排
放易燃易爆气体的储罐或管线上。如火炬、加热燃烧系统、石油气体回收系统或其它易燃气体系统。其主
要功能是允许易燃易爆的气体通过,对外界传入管道的火焰起有阻止与窒息作用。它由一种能够通过气体
的、具有许多细小通道或缝隙的固体材料(阻火元件)所组成。要求阻火元件的缝隙或通道尽量小,因而
当火焰进入后,被阻火元件分成许多细小的火焰流,由于传热作用(气体被冷却)和器壁效应火焰流猝灭。
抽屉式阻火器特点及技术参数:
|
阻火芯材料:不锈钢波纹板 |
|
适用介质:气体 |
|
压力等级:1.6~6.4MPa |
|
尺寸范围:DN50~DN600 |
|
壳体材料:碳钢、不锈钢、铝合金 |
|
密封材质:耐油石棉橡胶、聚四氟乙烯 |
|
防爆等级:BS5501:ⅡA、ⅡB、ⅡC |
|
连接方式:法兰连接 |
|
法兰标准:HG20594-97P7、GB、SH、HGJ、JB、ANSI、DIN、JIS |
|
制造、检测标准:按GB5908-2005、GB/T13347-2010标准 |
抽屉式阻火器性能特点:
1、产品结构合理,造型美观,重量轻,安装方便。
2、通常与呼吸阀配套或单独使用,也可适用内浮顶式油罐的通气管路上。
3、阻火层芯子采用不锈钢材料,耐腐蚀性强,耐烧、阻爆等各项技术性能具有突出优越。
4、阻爆性能合格,连续13次阻爆性能试验每次均能阻火。
5、耐烧性能合格,耐烧试验1小时无回火现象。
6、壳体水压试验合格。本产品结构合理,重量轻、耐腐蚀。易检修,安装方便。
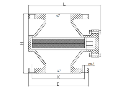
抽屉式阻火器尺寸及结构示意图:PNJ1.0MPa
|
DN |
L |
H |
K |
D |
Nⅹd |
重量 |
|
40 |
210 |
190 |
110 |
135 |
4*18 |
10 |
|
50 |
250 |
274 |
110 |
140 |
4*18 |
12 |
|
80 |
295 |
310 |
150 |
165 |
8*18 |
20 |
|
100 |
338 |
330 |
170 |
205 |
8*18 |
24 |
|
125 |
350 |
345 |
210 |
240 |
8*22 |
35 |
|
150 |
420 |
368 |
225 |
260 |
8*22 |
42 |
|
200 |
495 |
455 |
280 |
315 |
8*22 |
55 |
|
250 |
500 |
465 |
335 |
375 |
12*22 |
75 |
抽屉式阻火器维修保养:
为了确保阻火器的性能达到安全使用目的,对阻火器应定期性进行检查,保养。阻火器每半年检查一次,检查
阻火层芯子是否堵塞,变形,腐蚀等。发现被堵塞的阻火层芯子应清洗干净,确保芯子上的每个孔眼畅通,对
于变形和腐蚀的阻火层应更换。重新安装阻火层芯子时,应保证结合面严密不得漏气。






备案沪公网安备31012002005841